贵公司是否现有应用于自动铸机(Autocast)固定导轨设备上的铸型?CMH公司的老牌产品#6H型铸机经改
造后,将能够使用这些现有铸型,并比原来的自动铸机提供更大的行程和顶出间隙。请参看#6H型铸机的规
格。

* 铸型固定轨道和主轨道
是专为在
30 x 30in (76.2 x 76.2cm)
36 x 36in (91.4 x 91.4cm)
42 x 42in (106.7 x 106.7cm)
48 x 60in (121.92 x 152.4cm)
倾转浇注机上安装金属型模具而设计的。

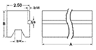
主固定轨道
产品编号 |
A |
B |
重量 |
KEY-30 |
29 7/8in (75.88cm) |
3/8in (0.95cm) |
1.3lbs (0.58kg) |
KEY-40 |
39 7/8in (101.28cm) |
3/8in (0.95cm) |
1.7lbs (0.77kg) |
上轨道
 |
* 轨道所有表层都经过打磨加工。 |
产品编号 |
A |
B |
重量 |
KEY-30 |
29 7/8in (75.88cm) |
4.0in (10.1cm) |
48lbs (21.7kg) |
KEY-40 |
39 7/8in (101.28cm) |
4.0in (10.1cm) |
64lbs (29kg) |
间隔固定轨道
产品编号 |
A |
B |
重量 |
SPACER-30 |
29 7/8in (75.88cm) |
3.0in (7.62cm) |
24lbs (10.8kg) |
SPACER-40 |
39 7/8in (101.28cm) |
3.0 (7.62cm) |
32lbs (14.5kg) |
下轨道
产品编号 |
A |
B |
重量 |
BRAIL-30 |
29 7/8in (75.88cm) |
3.0in (7.62cm) |
54lbs (24.5kg) |
BRAIL-40 |
39 7/8in (101.28cm) |
3.0in (7.62cm) |
74lbs (33.5kg) |