|
HOME → PRODUCTS → SpecialTY Machines → 5H 180º Permanent Mold Casting Machine
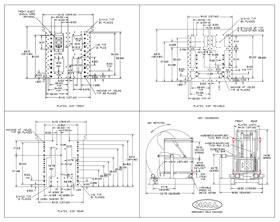
5H 180º Permanent Mold Casting Machine
Features
- Roll-over design utilizes smaller floor footprint and allows pouring and ejection at different work stations, facilitation in line work flow.
- Low maintenance due to few moving parts, heavy duty, rugged, and dependable.
- PLC/Touchscreen control, hydraulic power unit is sized to operate at a medium operating pressure.
- Twin cushioned tilt cylinders provide a smooth tilting motion from start to stop.
- Quad ram cylinders provide a safety factor, as well as extra holding pressure and better clamping balance.
- Hydraulic ejector system available.
- System can be interfaced with other devices such as
Robot Casting Catcher and automatic ladler.
Specifications
Clamping Pressure |
61,000 lbs. |
(27,669 kg.) |
Max. Mold Size |
54 x 68 in. |
(137 x 173 cm) |
Max. Mold Weight |
10,000 lbs. |
(4,536 kg.) |
Ram Stroke |
36 in |
(91.5 cm) |
Daylight Opening |
27 in. |
(68.5 cm) |
Pressure Height Center |
24.50 in. |
(61 cm) |
Machine Weight |
23,000 lbs. |
(10,432 kg.) |
Tie Bar Size |
2.50 in. Dia. |
(6.35 cm) |
Tilt Speed |
25 Sec. |
|
Options
- Front Ejectors Available as Single, Double or Quad Plate
- Casting Catcher available as Left, Right, or Rear

Click to enlarge.
The drawing (above) requires Adobe Acrobat Reader to view.


|