|
HOME → PRODUCTS → TRADITIONAL TILTING MACHINES → 3L Tilt-Pour Permanent Mold Casting Machine
3L Tilt-Pour Permanent Mold Casting Machine
Gravity Die Casting Machine
Features
- Low maintenance due to few moving parts, heavy duty, rugged, and dependable.
- Frame open on 3 sides, plus front and bottom, to facilitate use of core pulls in 5 directions.
- Twin cushioned tilt cylinders provide a smooth tilting motion from start to stop.
- Twin ram cylinders provide a safety factor, as well as extra holding pressure and better clamping balance.
- Hydraulic power units available in manual, automatic, or with programmable controllers, sized to facilitate all available accessories at low operating pressure.
Specifications
Clamping pressure |
37,700 lbs. |
(17,100 kg.) |
Max. mold size |
34 x 34 in. |
(86 x 86 cm.) |
Max. mold weight |
2,500 lbs. |
(1,136 kg.) |
Ram stroke |
24 in. |
(61cm.) |
Daylight opening |
15.75 in. |
(40 cm.) |
Pressure height center |
11.5 in. |
(29.2 cm.) |
Tie Bar Size |
2 in. |
(5.08 cm.) |
Machine weight |
5,650 lbs. |
(2,563 kg.) |
Tilt speed (min.) |
7 sec. |
|
Options
- Tie Bar Extensions
- Manual Swing In Casting Catcher
- Power Swing In Casting Catcher, When Used With Sub- Base
- Front Ejector
- Proportional Tilt
- Custom Platen Drilling or Sizes


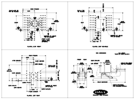
Click to enlarge.
The drawing (above) requires Adobe Acrobat Reader to view.
|